注意:访问本站需要Cookie和JavaScript支持!请设置您的浏览器! 打开购物车 查看留言付款方式联系我们
初中电子 单片机教材一 单片机教材二
搜索上次看见的商品或文章:
商品名、介绍 文章名、内容
首页 电子入门 学单片机 免费资源 下载中心 商品列表 象棋在线 在线绘图 加盟五一 加入收藏 设为首页
本站推荐:
锯齿波电路
文章长度[1822] 加入时间[2006/7/1] 更新时间[2026/4/1 10:47:17] 级别[3] [评论] [收藏]

 
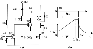
图1是(a)是恒流源锯齿波电路,BG1是开关管,由输入矩形脉冲控制其饱和与截止,BG2是共基恒流管,因此,当BG1截止时,BG2以恒定电流i对C充电,电压uc线性地增长;当BG1饱和时,C通过BG1快速地放电,从而产生锯齿波如图1(b)示。

图1、恒流源锯齿波电路
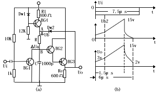
图2(a)是一种自举式锯齿波电路,BG1是开关管,C、R分别为定时电容和电阻,BG4共基恒流源,BG2和BG3组成复合管跟随器,当输入ui是负形波时,BG1截止,电容C充电(由Ec→R1→BG4→R→C),B点电位上升,由于射随器(BG2、BG3)作用,使A点电位也上升,称为自举。由于A、B两点的电位差不变,流过R的电流也不变,使C以恒流充电,当输入负矩形脉冲结束后,BG1饱和,C通过它迅速地放电,输出波形如图2(b)示。

图2、自举据齿波电路
图3为改进电路,使BG2、BG3的放大系数K大于1,调节电位器Rw,可得波形失真的最佳补偿。

图3、K>1的自举锯齿波电路

1、 本站不保证以上观点正确,就算是本站原创作品,本站也不保证内容正确。
2、如果您拥有本文版权,并且不想在本站转载,请书面通知本站立即删除并且向您公开道歉! 以上可能是本站收集或者转载的文章,本站可能没有文章中的元件或产品,如果您需要类似的商品请 点这里查看商品列表!
本站协议 | 版权信息 |  关于我们 |  本站地图 |  营业执照 |  发票说明 |  付款方式 |  联系方式
深圳市宝安区西乡五壹电子商行——粤ICP备16073394号-1;地址:深圳西乡河西四坊183号;邮编:518102
E-mail:51dz$163.com($改为@);Tel:(0755)27947428
工作时间:9:30-12:00和13:30-17:30和18:30-20:30,无人接听时可以再打手机13537585389